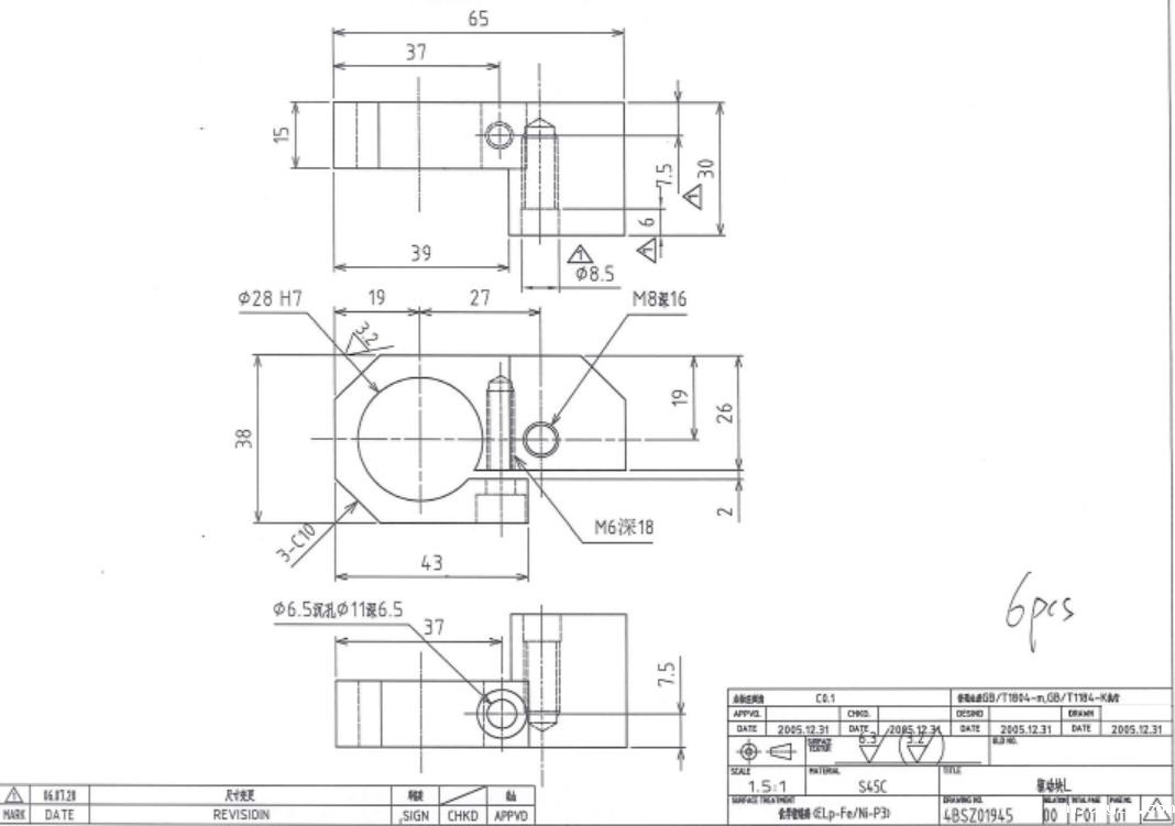
| 分类 | 金属零部件 |
| 品名 | 驱动块 |
| 材质 | S45C |
| 尺寸 | 65×38×30 |
| 热处理 | 无 |
| 表面处理 | 沉镍 |

| 加工精度 | 精孔0~+0.021 |
| 交货时间 | 7天 |
| 加工应用范围 | 设备驱动模块 |
| 加工工艺 | 铣床加工⇒线切割加工 |
| 材料选择 | S45C具有优良的机械性能和加工性能。S45C是一种中碳钢,属于JIS(日本工业标准)系列钢材,具有良好的综合性能,包括高强度和良好的韧性。这些性能使得S45C能够承受较大的负荷和冲击,因此非常适合用于制造需要传递扭矩和旋转运动的部件,比如驱动块。此外,S45C的切削性也较好,易于加工成各种形状和尺寸,这有助于满足驱动块等机械零件在设计和制造过程中的各种需求。同时,通过适当的热处理,可以进一步提高S45C的硬度和耐磨性,从而延长驱动块的使用寿命。 |