
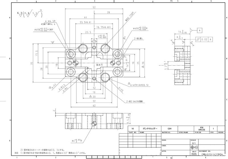
| 分类 | 金属零部件 |
| 品名 | 支架 |
| 材质 | GO4 |
| 尺寸 | 52×35×14 |
| 热处理 | HRC58 |
| 表面处理 | 沉镍 |

| 加工精度 | ±0.003,平行度0.02 |
| 面粗度 | Ra1.6 |
| 交货时间 | 9天 |
| 加工应用范围 | 自动化设备 |
| 加工工艺 | 铣床开粗⇒热处理⇒研磨加工⇒线切割加工⇒精加工⇒表面处理 |
| 线切割加工介绍 | 在以下情况下需要使用线切割: ①用普通的机械加工方法难以加工:形状复杂的,硬度比较高的,精度要求高的(精孔,精槽等),能导电的材料都可以用线切割来加工。 ②适合小批量、形状复杂零件、单件和试制品的加工:且加工周期短。 ③加工硬脆材料:比如工具钢,硬化工具钢,硬质合金钢,铬镍铁合金等传统加工方法难以加工的材料。或者加工复杂轮廓航空航天或者医疗行业中的零件。 ④加工任何导电材料:包括铜、黄铜、铝、哈氏合金等。 ⑤加工石墨:线切割机可以切割石墨,但是,石墨很脆,需要小心处理,并且切割速度非常慢。 ⑥加工钛金属:线切割机可以切割钛合金。 |
| 线切割加工视频 |