| 分类 | 金属零部件 |
| 品名 | hth会体会官方网 |
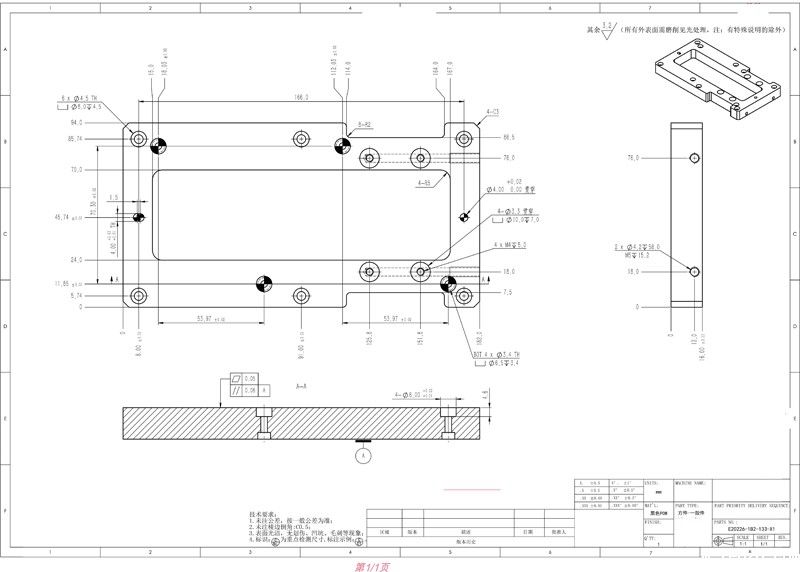
| 材质 | 黑色POM |
| 尺寸 | 182×94×16 |
| 热处理 | 无 |
| 表面处理 | 无 |

| 加工精度 | 精孔+0.01~+0.02,平行度0.06,平面度0.05 |
| 交货时间 | 5天 |
| 加工应用范围 | 机械设备 |
| 加工工艺 | CNC加工 |
| 材料选择 | 选择POM(聚甲醛)材料的原因主要有以下几点: 1. 耐磨性:POM材料具有出色的耐磨性,能够在高负荷和高速运转的环境中保持稳定的性能,减少磨损和摩擦,延长使用寿命。 2. 耐冲击性:POM材料具有较高的抗冲击强度,能够承受较大的冲击力而不易破裂或变形,确保零部件的稳定性和可靠性。 3. 耐腐蚀性:POM材料对多种化学物质具有良好的耐腐蚀性,能够在恶劣的环境中保持稳定的性能,不易被腐蚀或损坏。 4. 加工性能好:POM材料易于加工成型,可以通过注塑、挤出等工艺制成各种形状和尺寸的零部件,满足不同的应用需求。 5. 尺寸稳定性:POM材料在加工和使用过程中具有优异的尺寸稳定性,能够保持精确的尺寸和形状,确保零部件的精度和性能。 6. 重量轻:相对于金属材料,POM材料具有更轻的重量,能够降低产品的整体重量,提高产品的运输和安装效率。 |